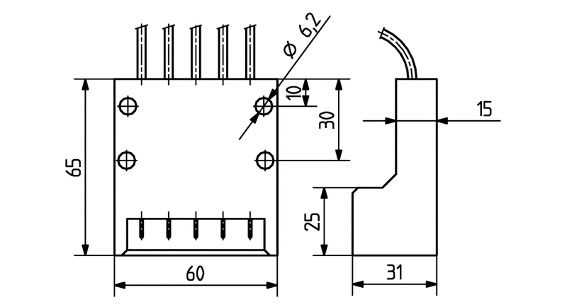
Test adaptor for terminal blocks with 5 poles
製品情報 "Test adaptor for terminal blocks with 5 poles"
| Ausführung: | Test adaptor for terminal blocks 3 and 5 pole |
|---|---|
| Color: | natural colour |
| Note warranty conditions: | *Warranty conditions of BJB GmbH & Co. KG as stated as available via the Internet under https://www.bjb.com/en/legal-information/general-terms-and-conditions/ are valid. |
| Packaging quantity: | 1 |
| Producttype: | Test adaptor for terminal blocks 3 and 5 pole |
| Series: | Pushwire terminals |
| Weight: | 75 g |
| mounting method 1: | Screw mount |
| old article number: | 46.911.1003.51 |
Available CAD Downloads
認証
| 品番 | スターテス | 説明 | 書類 |
|---|---|---|---|
| 46.911.1003-0 | EAC_Genehmigung_liegt_vor_--EAC_approval_at_hand_-4070828 |