Skip to main content Skip to search Skip to main navigation
比較対象に製品を追加しました。

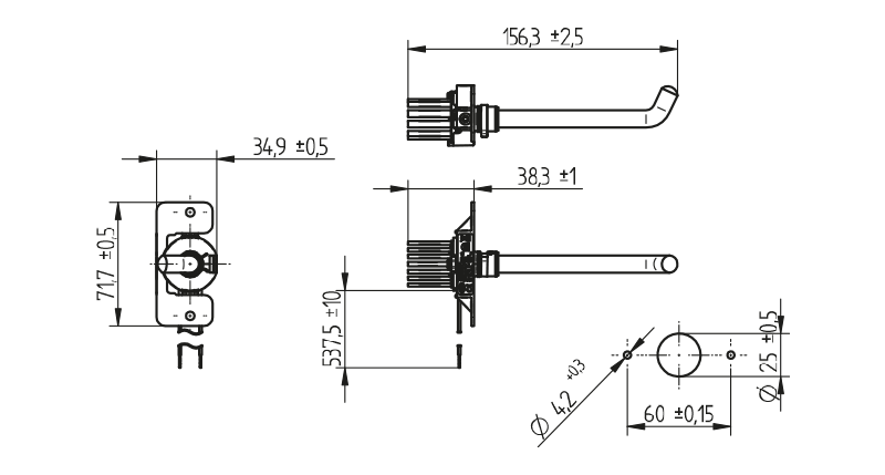
LED oven lamp Curved

製品情報 "LED oven lamp Curved"

LED oven lamp with light conducting glass rod
• Side installation in the oven

Symmetrical light characteristic

Screw fixing: for M3 screws alternatively: push in fixing by using the P2F fixing element 28.905

• Due to the variable length of the light conducting glass rod, different installation heights in the oven are possible.

• Variable LED parameters (CCT, CRI, number)
• Protection class III due to operation on SELV voltage
• Max. possible current of the lamp is to be determined in the most unfavorable operating condition
• The choice of our products, as well as the technically correct installation according to the relevant regulations (e.g. IEC 62031 and IEC60335) , are the sole responsibility of the user.

Special versions with higher requirements such as steam tightness, with microwave shielding or pyrolysis suitability on request.

Application areas: Home + Professional
Ausführung: Dimmable with suitable control gear
Colour temperature: 3.500 K
Durability: Average life time (L70 / B50) = 5.000 h (according to BJB test requirements)
Energy efficiency class (A-G) : E
LED?: yes
Lamp: LED
Luminous flux Ta25° C If typical: 210 lm
Material: Heat sink: Aluminum, anodized; Housing: PET; Glass light guide rod: Borosilicate glass
Max. Temperature at Tc point: 110° C
Note on electrical and optical tolerances: Tolerances of optical and electrical data: ±10 %.
Note warranty conditions: *Warranty conditions of BJB GmbH & Co. KG as stated as available via the Internet under https://www.bjb.com/en/legal-information/general-terms-and-conditions/ are valid.
Operating current: 1.000 mA
Operating mode: Constant current
Other: Output: 6.0 W - Luminous flux @Ta25° C @ If typical: 210 lm
Output: 6.0 W
Packaging quantity: 1
Producttype: LED Oven Lamp
Series: LED
Suitable for: Combined ovens - Microwaves - Pyro - Steam
number of LEDs per module: 1
old article number: 77.115.8301.00

Available CAD Downloads

認証

品番 スターテス 説明 書類
77.115.8301-0 ENEC_Zeichen_--ENEC_Approval_-5772810

LED in an oven? This is how we do it!

22.06.25 - We bring light into the darkness - LEDs for ovens
Skip product gallery

Accessories

Pyrolysis sealing package for glass rod
77.115.U101-0
Details
Pyrolysis sealing package for glass rod
77.115.U101-1
Details
P2F Optic P 3.7-5.4
28.905.U101-0
Details