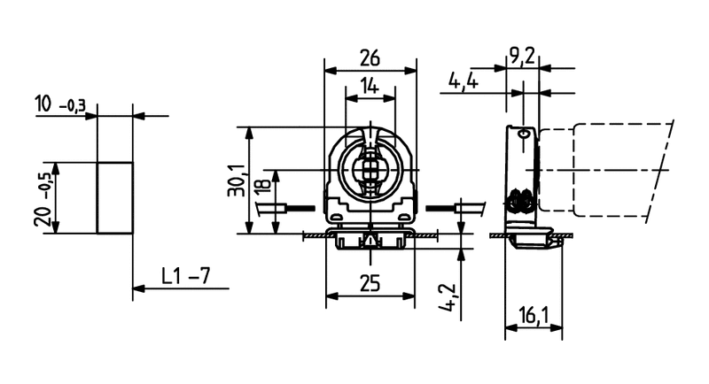
G13 Fluorescent Push-In Lampholders
-
-
0,5 - 1,1
-
-
-
-
-
18 AWG0,5 -1,0 mm²
-
製品情報 "G13 Fluorescent Push-In Lampholders"
A pair of lampholders provides a lamp length tolerance compensation of 3 mm
| Ausführung: | G13 Push-In Lampholders |
|---|---|
| Color: | white |
| Fluorescent lamps: | G13 |
| Front test: | yes |
| Lamp axis height: | 18 |
| Luminaire wall thickness: | 0.5 - 1.1 |
| Material: | Housing: PCRotor: PBT |
| Note warranty conditions: | *Warranty conditions of BJB GmbH & Co. KG as stated as available via the Internet under https://www.bjb.com/en/legal-information/general-terms-and-conditions/ are valid. |
| Packaging quantity: | 500 |
| Producttype: | G13 Push-In Lampholders |
| Protection type: | IP 40 |
| Rotor: | with |
| Series: | Linear Fluorescent Lampholders for dry rooms (IP20) |
| T-marking: | 130 |
| Top Test: | yes |
| UL: | yes |
| Weight: | 6 g |
| Wiring: | Side entry wiring |
| approbation: | cULus |
| cULus file no.: | E-92235 |
| mounting method 1: | Snap-in foot 10 x 20 mm |
| old article number: | 26.308.1018.50 |
利用可能なダウンロード
Available CAD Downloads
認証
| 品番 | スターテス | 説明 | 書類 |
|---|---|---|---|
| 26.308.1018-0 | ENEC_Zeichen_--ENEC_Approval_-5164211 | ||
| 26.308.1018-0 | IRAM_Genehmigung_liegt_vor_--IRAM_approval_at_hand_-749598 | ||
| 26.308.1018-0 | EAC_Genehmigung_liegt_vor_--EAC_approval_at_hand_-3677956 | ||
| 26.308.1018-0 | cULus_(USA_and_Canada)--727851 | ||
| 26.308.1018-0 | PSE-Mark_(Japan)--1203964 |
-
-
0,5 - 1,1
-
-
-
-
-
18 AWG0,5 -1,0 mm²
-