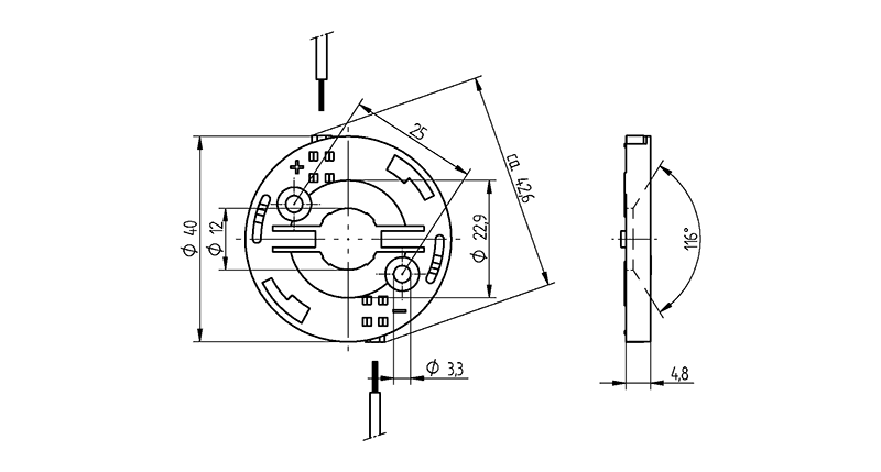
COB Connector Ø40 LED array 13.5x13.5
-
-
0,5 mm²
-
0,5 mm²
-
製品情報 "COB Connector Ø40 LED array 13.5x13.5"
Screw mounting: for screws M3 and locking washer
Max. torque for screw fixing 0.5 Nm*
Strip length: 7-1 mm
Polarity of LED must be observed
Specifications of LED manufacturer must be observed
cURus: For limited applications
VDE-Reg. No. E289
*Please note the max torque of the COB manufacturer
| Certification Mark: | VDE CERTIFICATE OF CONFORMITY WITH FACTORY SURVEILLANCE EN 60838-1 |
|---|---|
| Conductor cross-section: | 0.5 mm² |
| Diameter: | Ø 40 mm |
| LED?: | intended for the use of COBs |
| LED Array: | 13.5 x 13.5 mm |
| Material: | Housing: PBTContacts: CuSn |
| Note warranty conditions: | *Warranty conditions of BJB GmbH & Co. KG as stated as available via the Internet under https://www.bjb.com/en/legal-information/general-terms-and-conditions/ are valid. |
| Operating temperature: | max. 130°C |
| Packaging quantity: | 504 |
| Pre-centering for COB: | Yes |
| Prefixation: | Locking wings |
| Producttype: | Spotlight Connectors and Accessories |
| Rating: | 3A / 150 VDC |
| Series: | COB Connectors - 47.319 |
| UL: | yes |
| Weight: | 3 g |
| cURus file no.: | E-345385 |
| mounting method 1: | Screw mount |
| mounting method 2: | P2F fixing with 28.902.-102 |
| old article number: | 47.319.6060.50 |
Available CAD Downloads
認証
| 品番 | スターテス | 説明 | 書類 |
|---|---|---|---|
| 47.319.6060-0 | EAC_Genehmigung_liegt_vor_--EAC_approval_at_hand_-5665445 | ||
| 47.319.6060-0 | ÜG_Überwachungsgutachten_--Certificate_of_Conformity_-5852779 | ||
| 47.319.6060-0 | cURus_(USA_and_Canada)--3437952 |
以下のタイプの LED に適しています。
| LEDメーカー | LEDの指定 | 詳しくは |
|---|---|---|
| Bridgelux | DS100 V10 Gen. 7 | www.bridgelux.com |
| Bridgelux | DS412 V10 Gen. 8 | www.bridgelux.com |
| Bridgelux | DS1305 V10 Gen. 9 | www.bridgelux.com |
| Citizen | CLL150 | ce.citizen.co.jp |
| Citizen | CLU024 | ce.citizen.co.jp |
| Citizen | CLU025 | ce.citizen.co.jp |
| Citizen | CLU027 | ce.citizen.co.jp |
| Citizen | CLU028 | ce.citizen.co.jp |
| Citizen | CLU7A2 | ce.citizen.co.jp |
| Citizen | CLU7B2 | ce.citizen.co.jp |
| Citizen | CLU700 | ce.citizen.co.jp |
| Citizen | CLU702 | ce.citizen.co.jp |
| Citizen | CLU703 | ce.citizen.co.jp |
| Cree | CMT1407 | cree-led.com |
| Cree | CMT1412 | cree-led.com |
| Cree | CMT1420 | cree-led.com |
| Cree | CMU1003 | cree-led.com |
| Cree | CMU1006 | cree-led.com |
| Cree | CMU1010 | cree-led.com |
| Cree | CMU1013 | cree-led.com |
| Edison | Opto 9W | www.edison-opto.com |
| Itswell | IWC-B09R2-XX-B1202 | www.itswell.com |
| LUMILEDS | Luxeon L2C6-xxxxxL02x0600 | www.lumileds.com |
| LUMILEDS | Luxeon L2C6-xxxxxL03x0600 | www.lumileds.com |
| LUMILEDS | Luxeon L2C6-xxxxxL04x0600 | www.lumileds.com |
| Liteon | M082 | www.liteon.com |
| Luminus | CHM-6-XH20 Gen2 | www.luminus.com |
| Luminus | CHM-9 GEN1 AC00 | www.luminus.com |
| Luminus | CHM-9 GEN2 AC10 | www.luminus.com |
| Luminus | CIM-9 AC30 Gen3 | www.luminus.com |
| Luminus | CIM-9 AC40 Gen4 | www.luminus.com |
| Luminus | CLM-9 GEN1 AC00 | www.luminus.com |
| Luminus | CLM-9 GEN3 AC30 | www.luminus.com |
| Luminus | CLM-9 GEN4 AC40 | www.luminus.com |
| Luminus | CXM-09-AC00 | www.luminus.com |
| Luminus | CXM-3 - 36V, 18V, 9V | www.luminus.com |
| Luminus | CXM-4 - 36V, 18V, 9V | www.luminus.com |
| Luminus | CXM-6 AC30 Gen3 | www.luminus.com |
| Luminus | CXM-6 AC40 Gen4 | www.luminus.com |
| Luminus | CXM-9 AC00 | www.luminus.com |
| Luminus | CXM-9 AC30 Gen3 | www.luminus.com |
| Luminus | CXM-9 AC40 Gen4 | www.luminus.com |
| Luminus | CXM-9 GEN2 AC00 | www.luminus.com |
| OSRAM Opto Semiconductors | Duris S10 GW7LM32 // OP108S | www.osram-os.com |
| OSRAM Opto Semiconductors | P9 | www.osram-os.com |
| OSRAM Opto Semiconductors | S9 Gen. 2 | www.osram-os.com |
| OSRAM Opto Semiconductors | Soleriq S9 / GW KAFGBx | www.osram-os.com |
| OSRAM Opto Semiconductors | Soleriq S9 / GW KAFHBx.EM/CM | www.osram-os.com |
| OSRAM Opto Semiconductors | Soleriq S9 / GW KAFJBx.EM/CM/DM | www.osram-os.com |
| Philips | Fortimo SLM C 1203 L09 1313 G7N | www.lighting.philips.co.uk/oem-emea |
| Prolight Opto | PACB-022 | www.prolightopto.com |
| Prolight Opto | PASB-16FNL-EC2NS40 16W | www.prolightopto.com |
| Prolight Opto | PASB-16FVL-EC2NS27 16W | www.prolightopto.com |
| Prolight Opto | PASB-16FVL-EC2NS40 16W | www.prolightopto.com |
| Samsung | LC003D Gen.1 | www.samsung.com/led |
| Samsung | LC003D Gen.2 | www.samsung.com/led |
| Samsung | LC003D Gen. 3 | www.samsung.com/led |
| Samsung | LC006D Gen.1 | www.samsung.com/led |
| Samsung | LC006D Gen.2 | www.samsung.com/led |
| Samsung | LC006D Gen. 3 | www.samsung.com/led |
| Samsung | LC009D Gen.1 | www.samsung.com/led |
| Samsung | LC009D Gen.2 | www.samsung.com/led |
| Samsung | LC009D Gen. 3 | www.samsung.com/led |
| Samsung | LC010C Gen.2 | www.samsung.com/led |
| Samsung | LC010C Gen. 2 | www.samsung.com/led |
| Samsung | LC013D Gen.1 | www.samsung.com/led |
| Samsung | LC013D Gen.2 | www.samsung.com/led |
| Samsung | LC013D Gen. 3 | www.samsung.com/led |
| Seoul Semiconductor | SAWS0661A [SunLike] | www.seoulsemicon.com |
| Seoul Semiconductor | SAWS1063A [SunLike] | www.seoulsemicon.com |
| Seoul Semiconductor | ZC4 / SDW81F1DY | www.seoulsemicon.com |
| Seoul Semiconductor | ZC4 / SDWx1F1B | www.seoulsemicon.com |
| Seoul Semiconductor | ZC6 | www.seoulsemicon.com |
| Sunpu | SP1313-G G16 | www.sunpu-opto.com |
| Toyoda | Gosei 13,5x13,5 | www.toyoda-gosei.com |
| Tridonic | SLE 06mm R SNC8 | www.tridonic.com |
| Tridonic | SLE 09mm R SNC8 | www.tridonic.com |
| Tridonic | SLE G5 LES6 | www.tridonic.com |
| Tridonic | SLE G5 LES11 | www.tridonic.com |
| Tridonic | SLE G6 10mm 1200lm | www.tridonic.com |
| Tridonic | SLE G7 09mm 1200lm | www.tridonic.com |
| Tridonic | SLE G7 LES 9 | www.tridonic.com |
| Tridonic | Talexx SLE G3 LES10 | www.tridonic.com |
| Tridonic | Talexx SLE G5 LES6 | www.tridonic.com |
| Tridonic | Talexx SLE G5 LES10 | www.tridonic.com |
| Tridonic | Talexx SLE G5 LES11 | www.tridonic.com |
| Tridonic | Talexx SLE G6 LES 10 | www.tridonic.com |
| Vossloh-Schwabe | DMC122 | www.vossloh-schwabe.com |
| Xicato | XOB09 LES 9,8 | www.xicato.com |
| Xicato | XOB 9.8 mm / XOB099xxx15x3621 | www.xicato.com |
-
-
0,5 mm²
-
0,5 mm²
-